Com treballarem?
Tot aquest material està basat en la web Control e robótica: O material foi elaborado por María Loureiro e ten unha licenza CC By-SA
Podeu copiar i enganxar tot el que desitgeu. L’important és comprendre els programes i resoldre les propostes que es realitzen al final de cada secció, i al final, com un equip, ser capaç de dissenyar i posar en un projecte de treball.
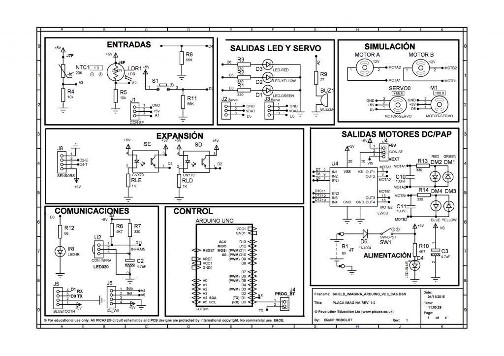
Realitzarem els muntatges en la placa Imagina Arduino, una placa dissenyada per l’equip Robolot.

